Teklif Alın

Form

Edit Template

Carmix 3.5 TT

Teknik Özellikler

Araç
Carmix 3.5 TT
Karıştırma Ünitesi
Tambur kapasitesi: 4.850 litre (1.066 gal UK – 1.281 gal US). Beton tambur çıktısı: 3,5 m³/EN. EN 206-1 SLUMP S1 sınıfında, titreşimsiz verim. Çift karıştırma vidaları, acil boşaltma kapağı. Tambur, hidrolik motor ve planet dişlilerle döner. Karıştırma ve boşaltma hızı, dizel motorun devrinden bağımsızdır. Tambur ters çevrilerek boşaltma yapılır. Karıştırma ünitesi, 2 metreden yüksek boşaltma yapmak için aracın dört bir yanına hidrolik olarak 270° döner.
Motor
Perkins 1104 D-44 TA Turbo-Dizel, su soğutmalı, 4 silindir. Nominal güç: 83 KW (111 HP) 2.300 rpm'de. Motor, arkada yatay olarak monte edilmiştir.
Şanzıman
Hidrostati̇k Bosch Rexroth. Pompa ve motor, diferansiyellere 2 hızlı bir redüktör (çalışma ve transfer) ile bağlanmıştır. 4 tekerlekten çekiş ve direksiyon.
Akslar
Dana Spicer akslar, yağ banyolu disk frenler ve planet dişliler ile donatılmıştır.
Hız
Çalışma hızı: 0-9 km/s (0 – 5,59 mph). Yol transfer hızı: 0-25 km/s (0 – 15,53 mph). Elektrikli servo kontrol.
Kabin
Yükleme kepçesi yanında ön kabin. Çift kapılı, ROPS-FOPS tipi. Klima ve ısıtıcı isteğe bağlı olarak temin edilebilir.
Şasi
Arazi koşulları için özel olarak tasarlanmış çelik profil.
Hidrolik Sistem
Hidrolik beton mikseri sistemi üç devreden oluşur. Hidrostatik şanzıman ve tambur dönüşü için 2 değişken çıkışlı pompa. Hizmetler için 2 dişli pompa. Giriş ve çıkış filtreleri. Su/yağ-hava tipi ısı eşanjörü.
Joymix
Kepçenin tüm hidrolik işlevleri, tam servo kontrollü bir joystick ile kontrol edilir.
Yükleme kepçesi
Yük başına etkili kapasite: 600 litre (131 gal UK – 158 gal US), hidrolik açılır kapak ile tamamlanmıştır.
Boşaltma kancası
Hidrolik döner ve eğilebilir. Boşaltma yüksekliğini artırmak için kolayca çıkarılabilir iki pimle donatılmıştır.
Tartım
Elektronik sistem. Tambur üzerinde hareket eden “yük hücreleri”, kabinde ekran ve yazıcı (isteğe bağlı).
Su sistemi
Kendi kendine yeten sistem. Hidrolik tahrikli su pompası, su sayacı, yıkama çıkışı. Yüksek basınçlı su pompası (isteğe bağlı).
Eğim kapasitesi
Tam yüklü durumda %30.
Frenler
Diferansiyel akslarda yağ banyolu disk frenler. İkiz bağımsız devreler. Negatif hidrolik park freni.
Lastikler
Arazi tipi endüstriyel lastikler 16/70-20 PR 14.
Direksiyon
Hidrostatik. 3 yönlü direksiyon. Dönüş yarıçapı: İç 1700 mm, dış 3700 mm.
Elektrik sistemi
12 Volt. Elektrik marşı ve yol aydınlatması için 120 Ah akü. Güvenlik için akü kesici.
Tanklar
Su: 2×400 litre (2×87 gal UK – 2×105 gal US). Dizel: 115 litre (25 gal UK – 30 gal US). Hidrolik yağ: 80 litre (17 gal UK – 4 gal US).
Ağırlık
Yaklaşık 7.400 kg (16.314,2 lb). Her iki aks üzerinde eşit olarak dağıtılmıştır.
Güvenlik
Makine, operatörün maksimum güvenliği için kontrol ve blok valfleri ile donatılmıştır. Kendi kendine kontrol mekanizması, kepçenin kolu kalkmışsa tamburun dönmesini engeller.

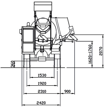
Carmix 3.5 TT Boyutlar

Yavuz Agrega İş Mak. San. ve Tic. Ltd. Şti. Tüm hakları saklıdır (c) 2025